Specifications
Frequency Range:10000~22300 MHz
Insertion Loss ≤ 0.8dB(Excluding theoretical loss:3.0 dB)
Input Port VSWR :Typ.1.18 / Max.1.50
Output Port VSWR :Typ.1.18 / Max.1.50
Isolation:Typ.24dB / Min.16dB
Amplitude Balance :±0.3dB
Phase Balance:±3°
Impedance:50 Ohms
Input/Output Connectors:SMP-Male
Power Rating Splitter:10W; Combiner:1W
Operation Temperature:-45℃ ~ +85℃
Surface Finishing:Black paint
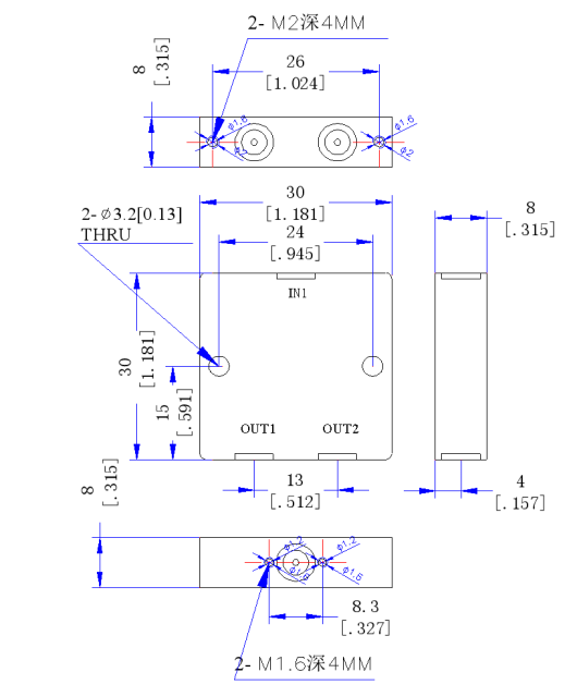
Outline Dimensions:30*30*8(mm)

